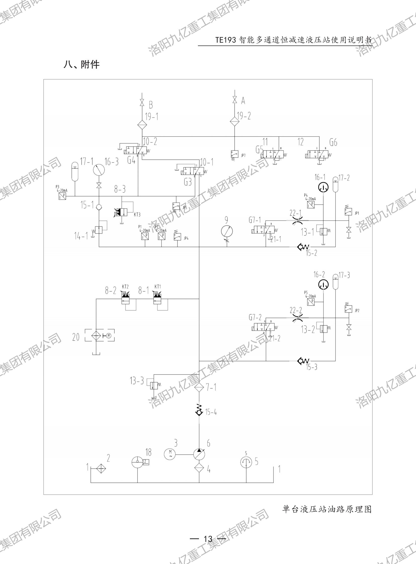
智能多通道恒減速液壓站TE193使用說明書
發布時間:2025-05-04來源:行業知識點擊:1979


















- 上一條:可變力矩液壓站TK181使用說明書
- 下一條:變頻器及電機拖動的負載類型
新聞中心news
發布時間:2025-05-04來源:行業知識點擊:1979


















洛陽九億重工集團有限公司
LUOYANG JIUYI GROUP MINING MACHINERY CO.,Ltd.
地址:河南省洛陽市洛新工業園區
乘車路線:駕車至洛新工業園區
全國24小時服務熱線13333881339 13525444887 13949288881